Ôtô du lịch cần lượng môi chất ít hơn. Tuỳ theo dung tích bình chứa môi chất và đặc điểm của thiết bị chuyên dùng, ta có 3 trường hợp nạp môi chất: Nạp từ bình chứa nhỏ dung tích khoảng 0,5 kg.
Các biện pháp bảo đảm nạp đủ lượng ga cần thiết Nhằm đảm bảo đảm đã nạp đủ lượng môi chất lạnh cần thiết vào hệ thống điện lạnh ôtô, tuỳ theo phương pháp nạp, ta có thể áp dụng một trong các biện pháp sau đây : Cân đo: Áp dụng phương pháp này mỗi khi chúng ta biết được lượng môi chất lạnh cần nạp nhờ sách chỉ dẫn sửa chữa.
- Không bao giờ được phép nổ máy động cơ ôtô và cho máy nén hoạt động trong lúc đang tiến hành nạp ga theo phương pháp này.
- Không được mở van đồng hồ thấp áp trong lúc hệ thống đang được nạp với môi chất lạnh thể lỏng.
- Sau khi hoàn tất nạp ga, phải dùng tay quay trục khuỷu máy nén vài vòng nhằm đảm bảo ga môi chất lỏng không chui vào các xy lanh máy nén. Phải kiểm tra khâu này trước khi khởi động động cơ và cho máy nén hoạt động.
2. Kiểm tra sản phẩm.
- Kiểm tra áp suất đường áp thấp
- Kiểm tra áp suất đường áp cao
- Kiểm tra mật độ môi chất trong hệ thống.
- Kiểm tra sự rò rỉ môi chất
3. Câu hỏi
1. Nêu quy trình chuẩn bị trước khi nạp gas cho hệ thống điều hòa không khí.
2. Nêu các sai phạm thường gặp trong quá trình nạp gas cho hệ thống điều hòa không khí, cách phòng tránh và khắc phục.
BÀI 4: CHẨN ĐOÁN VÀ SỬA CHỮA
HỆ THỐNG ĐIỀU HÒA KHÔNG KHÍ TRÊN Ô TÔ.
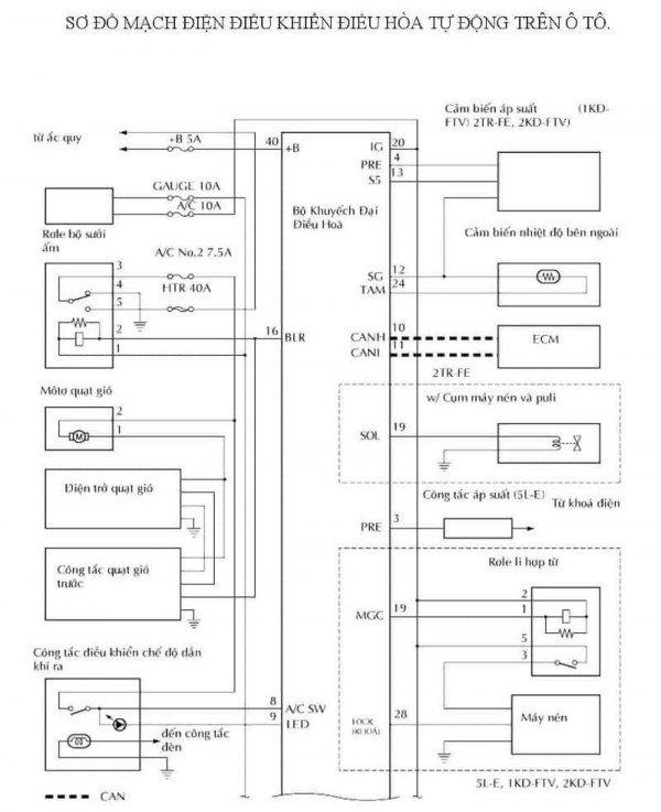
2. Sơ đồ hệ thống điện điều khiển hệ thống điều hòa không khí ô tô

Hình 2.2.30. Sơ đồ nguyên lý hệ thống điện điều khiển hệ thống điều hòa không khí ô tô
2. Nguyên lý hoạt động của hệ thống điện điều khiển hệ thống điều hòa không khí ô tô
2.1. Hoạt động bình thường
Công tắc máy ở vị trí ON. Công tắc quạt gió ở vị trí ON.
Rơle sưởi hoạt động và đóng tiếp điểm môtơ quạt chạy. Cùng lúc đó bộ khuếch đại được cung cấp điện điện chạy qua công tắc áp suất.
Công tắc A/C ở vị trí ON
Bộ khuếch đại kiểm tra tín hiệu từ themistor. Nếu nhiệt độ trong xe cao bộ khuếch đại gởi tín hiệu tới ECU điều khiển động cơ yêu cầu tăng tốc độ không tải.
2.2. Điều khiển tan băng
Khi máy điều hòa không khí đang hoạt động bình thường
Khi bên trong xe đủ lạnh, nhiệt độ bề mặt giàn lạnh giảm dần làm tăng điện trở của themistor.
Khi bộ khuếch đại nhận tín hiệu quá lạnh từ themistor, bộ khuếch đại ngắt role ly hợp và dừng máy nén ngăn chặn tuyết đóng băng ở giàn lạnh.
2.3. Điều khiển khi áp suất lãnh chất (gas) bất thường
Khi máy điều hòa không khí đang hoạt động bình thường
Khi áp suất gas quá thấp do bị rò rỉ hay áp suất môi chất quá cao do giải nhiệt kém... thí công tắc áp suất chuyển sang OFF cắt điện cung cấp cho bộ khuếch đại bộ khuếch đại ngưng hoạt động rơle ly hợp mở ra máy nén ngưng hoạt động.
2.4. Điều khiển khi máy nén bị kẹt
Khi máy điều hòa không khí đang hoạt động bình thường mà máy nén bị kẹt (vì một lý do gì đó không quay được) tín hiệu quay của máy nén bị gián đoạn Bộ khuếch đại A/C nhận biết sự kẹt của máy nén bằng cách so sánh tốc độ quay của máy nén với tốc độ quay của động cơ. Khi tín hiệu bị gián đoạn khoảng 3 giây hoặc lâu hơn thì rơle ly hợp chuyển sang OFF máy nén ngưng hoạt động.
2.5. Điều khiển theo tốc độ động cơ
Khi máy điều hòa không khí đang hoạt động bình thường
Khi tốc độ động cơ giảm đột ngột do sự cố hay vì một lý do nào khác bộ khuếch đại nhận biết tốc độ động cơ giảm từ tín hiệu (-) bo6bin.
Để ngăn chặn động cơ chết máy khi tốc độ động cơ giảm tới 450
v/ph Bộ khuếch đại điều khiển rơ le ly hợp OFF máy nén ngưng hoạt động.
2.6. Điều khiển cắt máy lạnh để tăng tốc
Khi máy điều hòa không khí đang hoạt động bình thường
Khi ECU động cơ nhận biết sự tăng tốc từ cảm biến tốc độ động cơ, cảm biến vị trí bướm ga.... nó sẽ gởi tín hiệu tăng tốc tới bộ khuếch đại
A/C rơ le ly hợp mát lạnh bị ngắt máy nén ngưng hoạt động để cải thiện sự tăng tốc của ô tô.
QUY TRÌNH KIỂM TRA.
1. Chẩn đoán phần cơ
Trước khi tiến hành kiểm tra, đo kiểm cần phải quan sát, xem xét kỹ chi tiết của hệ thống điều hòa không khí như sau:
- Dây curoa của máy nén phải được căng đúng mức quy định. Quan sát kỹ dây curoa không bị mòn khuyết, tước sợi, chai bóng và thẳng hàng giữa các buly truyền động. Nên dùng thiết bị chuyên dùng.
- Chân gắn máy nén phải được xiết đủ lực vào thân động cơ, không nứt vỡ long lỏng.
- Các đường ống dẫn môi chất lạnh không được mòn khuyết, xì hơi và phải bố trí xa các bộ phận di động.
-Phốt của trục máy nén phải kín. Nếu bị hở sẽ nhận they dầu quang trục máy nén, trên mặt buli và mâm bị động bộ ly hợp điện từ máy nén.
- Mặt ngoài giàn nóng phải thật sạch sẽ đảm bảo thông gió tốt và được lắp ráp đúng vị trí, không áp sát vào két nước động cơ. Sâu bọ và bụi bẩn thường gây che lấp giàn nóng, ngăn cản gió lưu thông xuyên qua để giải nhiệt. Tình trạng này sẽ làm cản trở sự ngưng tụ của môi chất lạnh. Màng chắn côn trùng đặt trước đầu xe, ngăn được côn trùng nhưng đồng thời cũng ngăn chặn gió thổi qua giàn nóng. Trong mọi trường hợp nên tạo điều kiện cho gió lưu thông tốt xuyên qua giàn nóng.
- Quan sát tất cả các ống, các hộp dẫn khí các cửa cánh gà cũng như hệ thống cơ khí điều khiển phân phối luồng khí, các bộ phận này phải thông suốt hoạt động nhạy, nhẹ và tốt.
- Bên ngoài các ống của giàn lạnh và cả bộ giàn lạnh phải sạch, không được bám bụi bẩn. Thông thường nếu có mùi hôi trong khí lạnh thổi ra chứng tỏ giàn lạnh đã bị bám bẩn.
- Động cơ điện quạt gió lồng sóc phải hoạt động tốt, chạy đầy đủ mọi tốc độ quy định. Nếu không đạt yêu cầu này, cần kiểm tra tình trạng chập mạch của các điện trở điều khiển tốc độ quạt gió.
- Các bộ lọc thông khí phải thông sạch.
- Nếu phát hiện vết dầu vấy bẩn trên các bộ phận hệ thống lạnh, trên đường ống dẫn môi chất lạnh chứng tỏ có tình trạng xì thoát ga môi chất lạnh. Vì khi môi chất lạnh xì ra thường kéo theo dầu bôi trơn.
2. Chẩn đoán phần điện
2.1. Đấu dây hệ thống
Bước 1: Chuẩn bị sơ đồ mạch điện

Bước 2: Chuẩn bị thiết bị thiết bị dụng cụ
Chuẩn bị các dụng cụ: vít bake, vom, ...
Chuẩn bị sa bàn có: cụm điều khiển (Quạt dàn nóng, dàng lạnh, ECU, sensor ..), acquy, kẹp điện.
Bước 3: Đấu dây hệ thống.
Đấu dây hệ thống điều hòa không khí Đấu dâu nguồn cho cụm điều khiển. Bước 4: vận hành kiểm tra hệ thống
Cho hệ thống điều hòa không khí hoạt động, quan sát đồng hồ áp suất môi chất.
2.1.2. Những sai hỏng thường gặp và biện pháp khắc phục
Nguyên nhân | Khắc phục | |
Mạch không hoạt động. | Lắp sai mạch. | Kiểm tra tìm kiếm chỗ sai, khắc phục. |
Có khói bốc lên ở bảng táp lô. | Dây bị cháy do chập mạch. | Ngắt mạch điện khỏi acquy, đo kiểm tra tìm kiếm vị trí ngắn mạch. |
Dây bị nóng trong quá trình vận hành. | Dây không đủ tải. | Kiểm tra loại dây sử dụng tại đoạn bị nóng, thay thế dây nếu cần |
Cầu chì đứt | Quá dòng, Hệ thống nạp quá nhiều môi chất | Thay loại cầu chì phù hợp. Kiểm tra lại lượng môi chất. |
Có thể bạn quan tâm!
-
Sơ Đồ Khối Hệ Thống Điều Khiển Máy Nén Kiểu A/c Khi Nhiệt Độ Giàn Lạnh Lớn Hơn 4Oc -
Bảo dưỡng và sửa chữa hệ thống hòa khí Nghề Công nghệ ô tô - CĐ TC - Trường Cao đẳng nghề Đồng Tháp - 8 -
Bảo dưỡng và sửa chữa hệ thống hòa khí Nghề Công nghệ ô tô - CĐ TC - Trường Cao đẳng nghề Đồng Tháp - 9
Xem toàn bộ 86 trang tài liệu này.
2.1.3. Kiểm tra vận hành
Kiểm tra các mối nối xem có hiện tượng nóng lên. Kiểm tra nhiệt trên đường dây.
Kiểm tra nhiệt sinh ra trên các relay. Kiểm tra nhiệt sinh ra trên các cầu chì.
2.1.4. An toàn và vệ sinh công nghiệp
Lau chùi thiết bị dụng cụ. Dọc dẹp.
Vệ sinh xưởng.
Câu hỏi
1. Nêu các bước kiểm tra phần cơ hệ thống điều hòa không khí.
2. Nêu các hư hỏng trên mạch điện điều khiển hệ thống hệ thống điều hòa không khí, cách kiểm tra, sửa chữa.
TÀI LIỆU THAM KHẢO
[1]- Tài liệu bồi dưỡng công nghệ mới động cơ ô tô hiện đại - Viện nghiên cứu khoa học dạy nghề
[2]- EFI and engine managment volume 3, volume 4 của Gregory. [3]- Tài liệu hảng Toyota



