14. Thiết lập hệ thức liên hệ giữa các dòng điện của BJT.
15. Phân cực BJT là gì? Có những dạng phân cực nào? Kể tên và vẽ dạng mạch tương ứng. Ứng với mỗi mạch hãy thiết lập công thức xác định tọa độ điểm phân cực Q, điện thế tại các cực của BJT. Đường tải tĩnh là gì? Viết phương trình đường tải tĩnh. Vẽ đường tải tĩnh.
16. Cho mạch phân cực cơ bản. Với VCC = 18 V; VBB = 3,6 V; VBE = 0,6 V; β = 80; RB = 50 k; RC = 2 k.
a. Xác định tọa độ điểm phân cực Q.
b. Viết phương trình đường tải tĩnh. Vẽ đường tải tĩnh. Xác định điểm Q trên đường tải tĩnh.
c. Cho biết điện thế tại các cực của BJT.
17. Cho mạch phân cực bằng dòng IB. Với VCC = 12 V; VBE = 0,6 V; β = 100; RB = 520 k; RC = 2,5 k; RE = 0,5 k.
a. Xác định tọa độ điểm phân cực Q.
b. Viết phương trình đường tải tĩnh. Vẽ đường tải tĩnh. Xác định điểm Q trên đường tải tĩnh.
c. Cho biết điện thế tại các cực của BJT.
18 . Cho mạch phân cực hồi tiếp điện áp. Với VCC = 12 V; VBE = 0,6 V; β = 100; RB
= 270 k; RC = 2,5 k; RE = 0,5 k.
a. Xác định tọa độ điểm phân cực Q.
b. Viết phương trình đường tải tĩnh. Vẽ đường tải tĩnh. Xác định điểm Q trên đường tải tĩnh.
c.Cho biết điện thế tại các cực của BJT.
19. Cho mạch phân cực BJT dạng dùng cầu phân thế. Với VCC = 18 V;VBE = 0,6 V; β = 80; RB1 = 12 k; RB2 = 48 k; RC = 1,5 k; RE = 0,5 k.
a. Hãy vẽ dạng mạch (lưu ý: phải chọn RB1, RB2 vị trí thích hợp).
b. Xác định tọa độ điểm phân cực Q.
c. Viết phương trình đường tải tĩnh. Vẽ đường tải tĩnh. Xác định điểm Q trên đường tải tĩnh.
d. Cho biết điện thế tại các cực của BJT.
Bài tập :
1. Diod
1.1 Thực hành nhận dạng và đo thử các loại diode.
1.2 Khảo sát hoạt động của diode.
- Mắc mạch như hình 3-76 .
- Thay đổi điện áp đầu vào và đo các thông số, ghi vào bảng giá trị.

Bảng 3-1 : Khảo sát Diod
Hình 3-76
-12 | -6 | 0 | 0,1 | 0,2 | 0,8 | 1 | 1,5 | 3 | |
Ud(V) Id(mA) |
Có thể bạn quan tâm!
-
Kỹ thuật điện tử cơ bản - Trường Cao đẳng Xây dựng TP. HCM Phần 1 - 11 -
Kỹ thuật điện tử cơ bản - Trường Cao đẳng Xây dựng TP. HCM Phần 1 - 12 -
Kỹ thuật điện tử cơ bản - Trường Cao đẳng Xây dựng TP. HCM Phần 1 - 13
Xem toàn bộ 114 trang tài liệu này.
Vẽ đồ thị V-A.
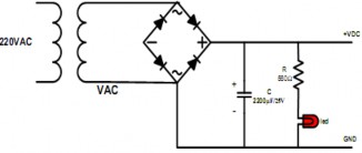
1.3 . Ứng dụng của diode. 1.3.1.Khảo sát mạch chỉnh lưu bán kỳ:
- Ráp mạch như (hình 3-77).

Hình 3-77
- Khi chưa mắc tụ, thay đổi lần lượt Ui và đo Uo ghi vào bảng 3-2:
UUi(V)
3 6 9 12 1518
Uo(V)
Bảng 3.3
Ui(V) | 3 | 6 | 9 | 12 | 15 | 18 |
Uo(V) K= Uo/Ui Uo ( C =10 ) Uo ( C =470 ) Uo ( C =100 ) Uo ( C =220 ) |
U
Mắc các tụ điện với các giá trị khác nhau và lập lại các bước đo trên (khi mắc tụ phải chú ý đến cực tính).
Nhận xét kết quả bảng 3.2 và bảng 3.3 :
----------------------------------------------------------------------------------------------------
----------------------------------------------------------------------------------------------------
----------------------------------------------------------------------------------------------------
1.3.2. Mạch chỉnh lưu toàn) kỳ 2 diode:
- Mắc mạch như hình (3-78)

Hình 3-78
- Đo các điện thế : Không tải: VC1 = VC2 = VC3 =
Có tải: VC1 = VC2 = VC3 =
Nhận xét.
----------------------------------------------------------------------------------------------------
----------------------------------------------------------------------------------------------------
----------------------------------------------------------------------------------------------------
1.3.3.Khảo sát mạch chỉnh lưu toàn kỳ:
Các bước tiến hành như khảo sát mạch chỉnh lưu bán kỳ.
Sơ đồ mạch (hình 3-79) :

Hình 3-79
Nhận xét.
----------------------------------------------------------------------------------------------------
----------------------------------------------------------------------------------------------------
----------------------------------------------------------------------------------------------------
1.3.4. Mạch chỉnh lưu nhân 2 điện áp: Ráp mạch theo sơ đồ (hình 3-80)

Hình 3-80
Đo các điện thế : Không tải: VC1 = VC2 = VC3 =
Có tải: VC1 = VC2 = VC3 =
Nhận xét.
----------------------------------------------------------------------------------------------------
----------------------------------------------------------------------------------------------------
----------------------------------------------------------------------------------------------------
----------------------------------------------------------------------------------------------------
1.3.5. Nguồn lưỡng cực đối xứng:

Mắc mạch như (hình 3-81) .
Hình 3-81
Đo điện thế VDC (+) = VDC (-) = Nhận xét:
----------------------------------------------------------------------------------------------------
----------------------------------------------------------------------------------------------------
----------------------------------------------------------------------------------------------------
----------------------------------------------------------------------------------------------------
2. Transitor
2.1. Nhận dạng và đo kiểm tra các BJT:
Bảng 3-4 : Nhận dạng và đo kiểm tra các BJT.
Mã số | B-E | B-C | C-E | Ký hiệu | Hình dạng và chân | |
BJT1 BJT2 BJT3 BJT4 |
2.2 Xác định đặc trưng ngõ vào:

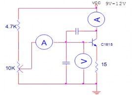
Hình 3-82
- Ráp mạch trên Testboard. (hình 3-82)
- Cấp nguồn cho mạch.
- Điều chỉnh biến trở để IB = 0, UBE = 0.
- Thay đổi biến trở lấy từng cặp giá trị trên 2 đồng hồ ghi vào bảng 3.5 theo từng cặp.
- Vẽ đặc trưng ngõ vào của BJT C1815:
Nhận xét:
----------------------------------------------------------------------------------------------------
----------------------------------------------------------------------------------------------------
----------------------------------------------------------------------------------------------------
----------------------------------------------------------------------------------------------------
2.3 Xác định đặc trưng ngõ ra:
- Giữ đồng hồ IB. Thay đổi VCC
- Chỉnh biến trở sao cho IB = 20 A, đo các giá trị IC và UCE tương ứng với VCC, bảng 3.5.
Bảng 3-5 : Thông số UCE và IC khi IB = 20 A.
VCC | 3V | 6V | 7.5V | 9V | 12V |
UCE IC |
- Chỉnh biến trở sao cho IB = 50 A làm lại như trên, bảng 3.5: Bảng 3-5 : Thông số UCE và IC khi IB = 50 A.
3V | 6V | 7.5V | 9V | 12V | |
UCE IC |
- Vẽ đặc trưng ngõ ra của BJT C1815:
Nhận xét:
----------------------------------------------------------------------------------------------------
----------------------------------------------------------------------------------------------------
----------------------------------------------------------------------------------------------------
----------------------------------------------------------------------------------------------------
3. Nhận dạng, đo thử các loại FET.
Tiến hành đo thử các loại FET, rút ra nhận xét. Nhận xét:
----------------------------------------------------------------------------------------------------
----------------------------------------------------------------------------------------------------
----------------------------------------------------------------------------------------------------
----------------------------------------------------------------------------------------------------
--
4. Nhận dạng và đo kiểm tra diac, SCR, Triac
- Đo kiểm tra Diac tốt xấu
- Đo kiểm tra SCR tốt xấu.
- Tiến hành xác định chân SCR theo các bước: Đo ? xác định loại trừ được chân A có đặc điểm là số ? rất lớn so với 2 chân kia. Vặn đồng hồ ở thang đo Rx1 rồi đặt
que đen ở chân A vừa xác định, que đỏ ở một trong 2 chân còn lại, kích chạm ngón tay vào chân A và chân còn lại, nếu kim lên mạnh thì que đỏ chỉ chân K
BÀI 4 : CÁC MẠCH KHUẾCH ĐẠI DÙNG TRANZITO
Mã bài : 13 -04



