Song song đối lập cuộn cảm (Parallel Opposing Inductors)
Khi đó, tổng điện cảm, LT cho hai cuộn cảm đối lập song song được cho là:

Hình 2.0-31: cuộn cảm song song cảm ứng trái cực
2.3.6. Điện kháng cảm ứng (Inductive Reactance)
Vì thành phần mà chúng ta quan tâm là một cuộn cảm, nên sự phản ứng của một cuộn cảm được gọi là “Điện kháng cảm ứng”. Nói cách khác, một điện trở cảm ứng điện khi được sử dụng trong một mạch nguồn tín hiệu AC được gọi là cảm kháng.
Điện kháng cảm ứng được đưa ra ký hiệu XL, là thông số trong một mạch AC nhằm cản trở sự thay đổi trong dòng điện

Hình 2.0-32: Quan hệ dòng và áp của cuộn dây
Trong mạch AC, dòng điện và điện áp lệch pha bằng 90o, hoặc (π / 2 rads). XL = VL / IL = L () = 2fL
Hướng dẫn (Tutorial) Áp dụng: XL = 2fL = 2 x 50 x 0,15 = 47,12 I = V / XL = 100 / 47,12 = 2,12 A |
Có thể bạn quan tâm!
-
Ký Hiệu Tụ Điện Phân Chuẩn Mỹ Hoặc Anh -
Xác Định Chiều Đường Sức Từ Trong Dây Thẳng -
Điện Cảm Tương Hỗ (Mutual Inductance) -
Cấu Trúc Chất Bán Dẫn Loại P Dòng Điện Chảy Trong Chất Bán Dẫn Loại P Như Thế Nào -
Các Đặc Điểm Cơ Bản Của Diode (Basic Characteristics Of Diode) -
Ký Hiệu Của Diode Schottky Ứng Dụng Của Diode Schottky
Xem toàn bộ 264 trang tài liệu này.
CÂU HỎI ÔN TẬP
Câu 1: Một điện trở bốn màu: màu xanh lá cây, xanh dương, nâu, vàng. Tìm trở kháng và dung sai của nó là gì?
Ví dụ 2: Một điện trở năm vòng màu: đỏ, đỏ, lục, vàng, nâu. Kháng và dung sai của nó là gì?
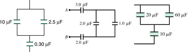
Câu 3: Tính điện cảm toàn mạch sau, biết :
L1 = 2 H, L2 = 2.5H, L3 = 5H và L4 = 1H

Câu 4: Tính điện dung C của mạch sau

Mạch trên tương đương với mạch sau (Đúng / Sai)

Câu 5: Tính điện dung tương đương

Mạch trên có tương đương với sau hay không

Câu 6: Tính điện dung của các mạch sau

Câu 7: Điện trở bốn dãi màu: màu xám, đen, đen, không có dãi màu thứ tư. Kháng và dung sai của nó là gì?
Câu 8: Đọc giá trị điện trở dán: 103, 392, 563, 105, 390, 470
Gợi ý: 103 = 10 × 1,000 ohms = 10 kiloΩ
392 = 39 × 100 ohms = 3.9 kiloΩ
563 = 56 × 1,000 ohms = 56 kiloΩ
105 = 10 × 100,000 ohms = 1 MegaΩ
390 = 39 × 1Ω = 39Ω or 39RΩ
470 = 47 × 1Ω = 47Ω or 47RΩ
Câu 9: điện trở 5 vạch: Green Grey Black Red Brown tơng ứng với giá trị nào Hướng dẫn : các màu ứng với : 6 8 0 2 => 680×102 =68000Ω or 68kΩ
Câu 10: Nếu một điện trở màu xanh-đỏ-vàng-bạc thì giá trị của nó là 5.2 Ω và dung sai của +/- 10% đúng hay sai? Tại sao
Câu 11: Một điện trở màu nâu-xanh-xám-bạc-đỏ sẽ là 1,58 Ω với dung sai +/- 2% đúng hay sai? Tại sao
Câu 12: Trong mạch sau, tính hệ số tự cảm L

Câu 13: Giải thích nguyên lý làm việc của hai mạch sau


Chương 3: CHẤT BÁN DẪN – DIODE
1. Mục tiêu
+ Trình bày khái niệm chất bán dẫn
+ Trình bày được cấu tạo của diode bán dẫn.
+ Phân tích được vấn đề chuyển tiếp chất bán dẫn P - N.
+ Phân tích được nguyên lý hoạt động của diode bán dẫn
+ Phân loại các diode bán dẫn.
2. Nội dung chính
2.1. Chất bán dẫn ( Semiconductor)
2.2. Diode bán dẫn
2.3. Phân loại Diode
2.4. Ứng dụng
3.1. Chất bán dẫn ( Semiconductor)
3.1.1 Bán dẫn thuần khiết (Pure semiconducting)
Các vật liệu bán dẫn như silic (Si), germanium (Ge) và gallium arsenide (GaAs), có các tính chất điện ở “dây dẫn” và “chất cách điện”. Chúng không phải là chất dẫn điện tốt cũng không phải là các chất cách điện tốt (do đó chúng có tên là "bán" các chất dẫn điện). Chúng có rất ít "electron tự do" vì các nguyên tử của chúng được nhóm lại với nhau trong một mẫu tinh thể gọi là "mạng tinh thể" nhưng các electron vẫn có thể chạy chỉ trong điều kiện đặc biệt.
Khả năng của chất bán dẫn dẫn điện có thể được cải thiện đáng kể bằng cách thay thế hoặc thêm một số nguyên tử hoặc chấp nhận nguyên tử nào đó vào cấu trúc tinh thể này, tạo ra nhiều electron tự do hơn hoặc ngược lại nhiều lỗ hơn. Đó là bằng cách thêm một tỷ lệ phần trăm nhỏ của nguyên tố khác vào vật liệu cơ bản, hoặc silicon hoặc germanium.
Chất Silicon và Germanium được xếp vào loại chất bán dẫn tinh khiết về mặt hóa học, không chứa gì ngoài vật liệu bán dẫn. Nhưng bằng cách kiểm soát lượng tạp chất được thêm vào vật liệu bán dẫn nội tại này thì có thể kiểm soát độ dẫn điện của nó. Tùy vào tạp chất có thể được thêm vào để tạo ra các electron hoặc lỗ trống tương ứng.
Quá trình thêm các tạp chất các nguyên tử bán dẫn (tỷ lệ 1 nguyên tử tạp chất trên 10 triệu nguyên tử của chất bán dẫn) được gọi là Doping. Khi silicon pha tạp thì không còn nguyên chất, các nguyên tử này được gọi chung là “tạp chất”, và bằng cách doping các vật liệu silic này với tạp chất, chúng ta có thể biến nó thành chất bán dẫn.
Vật liệu cơ bản về chất bán dẫn được sử dụng phổ biến nhất hiện nay là silicon. Silicon có bốn electron hóa trị trong vỏ ngoài cùng của nó mà nó chia
sẻ với các nguyên tử silicon lân cận của nó để tạo thành tám electron. Cấu trúc liên kết giữa hai nguyên tử silicon là như vậy mà mỗi nguyên tử chia sẻ một electron với hàng xóm của nó làm cho liên kết rất ổn định.

Hình 3. 1: Cấu trúc và liên kết của nguyên tử Silicon
Vì có rất ít electron tự do có sẵn để di chuyển xung quanh tinh thể silicon, nên các tinh thể silicon tinh khiết (hoặc germanium) sẽ là chất cách điện tốt, hoặc là điện trở có giá trị rất lớn.
Các nguyên tử silicon được sắp xếp theo một mô hình đối xứng xác định khiến chúng trở thành một cấu trúc tinh thể vững chắc. Một tinh thể silicon nguyên chất (silicon dioxide hoặc thủy tinh) thường được cho là một tinh thể không có tạp chất và do đó không có các electron tự do.
Nhưng chỉ kết nối đơn giản một tinh thể silicon với nguồn cung cấp (dùng pin) là không đủ để giải phóng dòng điện từ nó. Để làm được điều đó, chúng ta cần tạo ra một cực dương và cực âm trong silicon cho phép các electron và do đó dòng điện chạy ra khỏi silicon. Các cực này được tạo ra bằng cách doping silicon với một số tạp chất nhất định.
3.1.2 Bán dẫn loại N (N-type Semiconductor Basics)
Để cho tinh thể silicon của chúng ta dẫn điện, chúng ta cần đưa một nguyên tử tạp chất như Arsen, Antimon hoặc Phốt pho từ bên ngoài vào cấu






