Câu 8:
Câu 9:
Thế nào là máy tính vec-tơ? Các kiểu của kiến trúc vec-tơ.
Cho ví dụ về máy tính một dòng lệnh, nhiều dòng số liệu (SIMD).
Câu 10:
Các máy tính song song nhiều dòng lệnh, nhiều dòng số liệu (MIMD) dùng nhiều bộ xử lý, được phân thành 2 loại tùy theo tổ chức bộ nhớ của chúng là: Máy tính đa xử lý có bộ nhớ tập trung chia sẻ và máy tính đa xử lý có bộ nhớ tập trung chia sẻ và máy tính đa xử lý có bộ nhớ phân tán. Phân tích ưu – khuyết điểm của hai loại máy tính này. Câu 11:
Nêu các loại hệ thống MIMD.
Có thể bạn quan tâm!
-
Kiến trúc máy tính - 13 -
Hoạt Động Của Cpu Nguyên Lý Hoạt Động -
Kiến trúc máy tính - 15 -
Prom – Rom Có Thể Nạp Chương Trình -
Kiến trúc máy tính - 18 -
Kiến trúc máy tính - 19
Xem toàn bộ 233 trang tài liệu này.
Câu 12:
Nêu các đặc trưng của kiến trúc IA – 64 và định dạng lệnh trong kiến trúc IA – 64.
Câu 13:
Khi chọn CPU cho máy tính thì cần lưu ý điều gì?
Gợi ý: Nếu đã có Mainboard thì phải mua CPU có các thông số sau phù hợp với Mainboard như: Soket; Tốc độ FSB (bus của CPU) mà Main hỗ trợ là bao nhiêu.
Câu 14:
Giữa CPU và RAM có mối liên hệ gì không khi chọn thiết bị?
Câu 15:
Muốn nâng cấp CPU có được không?
Gợi ý: Hoàn toàn được nếu như CPU muốn nâng cấp cắm vừa chân (tức là cùng Soket) đồng thời nó có tốc độ Bus thuộc phạm vi mà Mainboard hỗ trợ.
Lưu ý, có thể CPU tốc độ cao vẫn chạy được trên Main của bạn nhưng nó sẽ làm việc không hết hiệu suất .
CHƯƠNG 4 : BỘ NHỚ VÀ CÁC HỆ THỐNG LƯU TRỮ
4.1. Khái niệm và phân cấp bộ nhớ
4.1.1 Khái niệm
Bộ nhớ là một trong các thành phần quan trọng nhất của máy tính điện tử, được dùng để lưu trữ các lệnh sẽ được thực hiện cũng như dữ liệu. Bộ nhớ được xây dựng từ các phần tử nhớ cơ bản như flip-flop hay các tụ điện.
4.1.2. Phân cấp bộ nhớ
Các đặc tính như lượng thông tin lưu trữ, thời gian thâm nhập bộ nhớ, chu kỳ bộ nhớ, giá tiền mỗi bit nhớ khiến ta phải phân biệt các cấp bộ nhớ: các bộ nhớ nhanh với dung lượng ít đến các bộ nhớ chậm với dung lượng lớn (hình 4.1)

Hình 4. 1. Các cấp bộ nhớ
- Tập thanh ghi: Các thanh ghi bên trong CPU có thể coi là một trường hợp đặc biệt của bộ nhớ. Mức nhớ này truy nhập nhanh nhất và dễ dàng nhất, do vậy đây có thể xem là mức 0 của toàn bộ sự phân cấp bộ nhớ.
- Bộ nhớ Cache: Cache được dùng để tăng tốc độ trao đổi thông tin giữa CPU và bộ nhớ chính, nên được gọi là bộ nhớ đệm truy nhập nhanh.
- Bộ nhớ chính (Main memory): là hệ thống nhớ được địa chỉ hoá trực tiếp bởi CPU, bao gồm bộ nhớ ROM, RAM.
- Bộ nhớ ngoài (External Memory)
Là hệ thống nhớ chứa thư viện chương trình và dữ liệu. Có dung lượng lớn nhưng tốc độ chậm.
Dung lượng: Từ vài chục MB đến vài GB.
Nhận xét
Ta thấy trên hình 4.1, từ trái sang phải các cấp bộ nhớ có đặc điểm sau:
- Dung lượng giảm dần.
- Tộc độ giảm dần.
- Tần suất CPU truy nhập giảm dần.
- Giá thành /1 bit giảm dần.
Các đặc tính chính của các cấp bộ nhớ dẫn đến hai mức chính là: mức cache - bộ nhớ trong và mức bộ nhớ ảo (bao gồm bộ nhớ trong và không gian cấp phát trên đĩa cứng) (hình 4.2). Cách tổ chức này trong suốt đối với người sử dụng. Người sử dụng chỉ thấy duy nhất một không gian định vị ô nhớ, độc lập với vị trí thực tế của các lệnh và dữ liệu cần thâm nhập.

Hình 4. 2. Hai mức bộ nhớ
Các cấp bộ nhớ giúp ích cho người lập trình muốn có một bộ nhớ thật nhanh với chi phí đầu tư giới hạn. Vì các bộ nhớ nhanh đắt tiền nên các bộ nhớ được tổ chức thành nhiều cấp, cấp có dung lượng ít thì nhanh nhưng đắt tiền hơn cấp có dung lượng cao hơn.
Mục tiêu của việc thiết lập các cấp bộ nhớ là người dùng có một hệ thống bộ nhớ rẻ tiền như cấp bộ nhớ thấp nhất và gần nhanh như cấp bộ nhớ cao nhất. Các cấp bộ nhớ thường được lồng vào nhau. Mọi dữ liệu trong một cấp thì được gặp lại trong cấp thấp hơn và có thể tiếp tục gặp lại trong cấp thấp nhất.
Chúng ta có nhận xét rằng, mỗi cấp bộ nhớ có dung lượng lớn hơn cấp trên mình, ánh xạ một phần địa chỉ các ô nhớ của mình vào địa chỉ ô nhớ của cấp trên trực tiếp có tốc độ nhanh hơn, và các cấp bộ nhớ phải có cơ chế quản lý và kiểm tra các địa chỉ ánh xạ.
4.2. Các đặc điểm của bộ nhớ
Các đặc trưng chính của hệ thống nhớ máy tính bao gồm: Vị trí, dung lượng, đơn vị truyền, phương pháp truy nhập, hiệu suất, kiểu vật lý, đặc tính vật lý, cách tổ chức.
Vị trí (Location)
Bộ nhớ máy tính bao gồm cả hai loại bộ nhớ trong và ngoài. Bộ nhớ trong của máy tính thường được đề cập đến như bộ nhớ chính. Bộ nhớ ngoài của máy tính gồm các thiết bị lưu trữ ngoại vi, như đĩa và băng từ.
Dung lượng (Capacity)
Với bộ nhớ trong, dung lượng thường được biểu diễn dưới dạng byte hay word. Các độ dài word phổ biến là 8, 16 và 32 bit. Bộ nhớ ngoài có dung lượng được biểu thị theo byte.
Đơn vị truyền (Unit of Transfer)
Với bộ nhớ trong, đơn vị truyền bằng với số đường dữ liệu vào/ ra khỏi mô-đun bộ nhớ. Giá trị ngày thường bằng với độ dài của một word, nhưng cũng có thể khác.
- Truyền theo từ nhớ (bộ nhớ trong).
- Truyền theo khối nhớ (bộ nhớ ngoài).
Phương pháp truy nhập (Access Method)
Đây là một trong những yếu tố rò nhất giúp phân biệt các kiểu bộ nhớ. Có bốn loại phương pháp truy nhập.
- Truy nhập tuần tự (băng từ): Bộ nhớ được tổ chức thành các đơn vị dữ liệu gọi là bản ghi. Việc truy nhập phải được thực hiện theo một dãy tuyến tính cụ thể. Thông tin địa chỉ được lưu trữ được dùng để phân tách các bản ghi và hỗ trợ quá trình tìm kiếm lấy thông tin. Một bộ phận đọc/ ghi dùng chung được sử dụng. Bộ phận này phải được di chuyển từ vị trí hiện thời của nó đến vị trí được yêu cầu, quét qua và từ chối các bản ghi trung gian. Do đó, thời gian để truy nhập một bản ghi tùy ý biến đổi khá cao. Các đơn vị băng từ là các đơn vị có dạng truy nhập tuần tự
- Truy nhập trực tiếp (đĩa từ, đĩa quang): Cũng như với truy nhập tuần tự, truy nhập trực tiếp bao gồm việc dùng chung một bộ phận đọc/ ghi. Tuy nhiên, các khối hay bản ghi riêng lẻ có một địa chỉ duy nhất dựa trên vị trí vật lý. Việc truy nhập được thực hiện thông qua truy nhập trực tiếp cộng với tìm kiếm tuần tự, đếm hay chờ để đến được vị trí cuối cùng. Một lần nữa, thời gian truy nhập là biến đổi.
- Truy nhập ngẫu nhiên (bộ nhớ chính): Mỗi trị trí khả định địa chỉ trong bộ nhớ có một cơ chế định địa chỉ vật lý duy nhất. Thời gian truy nhập một vị trí cho trước độc lập với dãy các truy nhập trước đó và không thay đổi. Do đó, bất kỳ một vị trí nào cũng có thể được chọn ngẫu nhiên và được định địa chỉ cũng như truy nhập trực tiếp.
- Truy nhập liên kết (bộ nhớ Cache): Đây là kiểu truy nhập ngẫu nhiên bộ nhớ cho phép thực hiện việc so sánh các ví trí bit có yêu cầu trong một word phục vụ cho việc đối chiếu đặc biệt nào đó, và có thể thực hiện thao tác này cùng một lúc cho tất cả các word. Do đó, một word được trích ra dựa trên một phần nội dung của nó chứ không phải dựa trên địa chỉ. Tương tự với phương thức truy nhập ngẫu nhiên thông
thường, mỗi vị trí nhớ có cơ chế định địa chỉ riêng, và thời gian lấy thông tin không đổi, độc lập với vị trí hoặc khuôn dạng truy nhập trước đó.
Hiệu suất (Performance)
Đứng trên quan điểm người sử dụng, hai đặc trưng quan trọng nhất của bộ nhớ là dung lượng và hiệu suất vận hành. Có 3 tham số hiệu suất được sử dụng:
- Thời gian truy nhập:
+) Đối với bộ nhớ truy nhập ngẫu nhiên thì thời gian truy nhập chính là thời gian thực hiện thao tác đọc hoặc ghi.
+) Đối với bộ nhớ truy nhập không ngẫu nhiên thì thời gian truy nhập chính là thời gian để đặt cơ chế ghi hoặc đọc ở một vị trí mong muốn.
- Chu kỳ truy nhập: Khái niệm này được sử dụng cho bộ nhớ truy nhập ngẫu nhiên. Chu kỳ truy nhập bằng thời gian giữa hai lần truy nhập.
Chu kỳ truy nhập bằng thời gian truy nhập cộng với thời gian trước khi truy nhập lần tiếp theo có thể bắt đầu.
- Tốc độ truyền: Là tộc độ truyền dữ liệu đến hoặc ra khỏi bộ nhớ.
Đối với bộ nhớ truy nhập ngẫu nhiên thì tốc độ truyền bằng1 chia cho chu kỳ truy nhập (1/chu kỳ truy nhập).
Đối với bộ nhớ truy nhập không ngẫu nhiên thì tốc độ truyền bằng số bit truyền được trong 1 giây (s).
Kiểu vật lý của bộ nhớ (Physical Type)
- Bộ nhớ bán dẫn.
- Bộ nhớ từ: Băng từ và đĩa từ.
- Bộ nhớ quang: Đĩa quang.
Các đặc trưng vật lý (Physical Characteristics)
- Bộ nhớ khả biến hoặc không khả biến.
+ Bộ nhớ khả biến: Mất dữ liệu khi ngắt nguồn: RAM.
+ Bộ nhớ không khả biến: Không mất dữ liệu khi ngắt nguồn: ROM, băng từ, đĩa từ.
- Bộ nhớ xoá được hoặc không xoá được. Cách tổ chức (Organization)
Là cách sắp xếp vật lý các hệ thống nhớ để tạo nên các từ nhớ và sắp xếp các từ nhớ để tạo nên Mô-đun nhớ. Với từng kiểu vật lý khác nhau sẽ có cách tổ chức khác nhau.
4.3. Bộ nhớ chính
ROM và RAM là bộ nhớ chính (bộ nhớ trong) của máy tính thuộc khối bộ nhớ và được sản xuất theo công nghệ bán dẫn. ROM là bộ nhớ chỉ đọc, không mất thông tin khi mất điện. ROM chứa chương trình BIOS, có trên mainboard và các thiết bị ngoại vi. RAM là bộ nhớ truy xuất ngẫu nhiên, lưu trữ dữ liệu tạm thời. Khi mất điện, dữ liệu trên RAM sẽ mất. Sau đây chúng ta sẽ xem xét kỹ hai bộ nhớ chính này.
4.3.1. Bộ nhớ RAM (Random Access Memory)
4.3.1.1. Công nghệ RAM
Công nghệ RAM có hai loại chính: RAM tĩnh (Static RAM) và RAM động (Dynamic RAM). RAM động (DRAM) được chế tạo với các ô nhớ để chứa dữ liệu là điện áp trên các tụ điện. Điện áp có hay không có ở trên tụ điện biểu hiện hai trạng thái 1 và 0. Vì tụ điện có tính chất phóng điện nên RAM động cần phải được làm tươi (refresh) để bảo dưỡng dữ liệu trên đó. Đối với RAM tĩnh (SRAM) các giá trị nhị phân được nhớ trên các mạch lật truyền thống. Vì vậy dữ liệu trên đó là ổn định. Do công nghệ như vậy nên DRAM có mật độ ô nhớ dày đặc hơn và rẻ tiền hơn SRAM, còn về tốc độ thì SRAM nhanh hơn DRAM rất nhiều. DRAM thích hợp cho bộ nhớ có dung lượng lớn. Vì vậy, công nghệ SRAM được dùng để chế tạo các bộ nhớ Cache, trong khi công nghệ DRAM được dùng để chế tạo các bộ nhớ chính RAM.
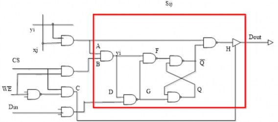
Cấu tạo phần tử nhớ 1 bit của SRAM Phần tử nhớ 1 bit
Thanh ghi chốt (Latch) là dạng đon giản của flip-flop, được xây dựng từ 2 cổng NAND hoặc 2 cổng NOR. Sự thay đổi trạng thái của thanh ghi chốt có thể xảy ra trong thời gian kéo dài của xung đồng hồ chứ không phải trong thời gian sườn xung đồng hồ, người ta gọi đó là sự chuyển mạch theomức.
Các thanh ghi chốt 1 bit có thể được sử dụng làm các phần tử nhớ cơ bản xây dựng nên bộ nhớ của máy tính. Nó có 2 trạng thái cân bằng ổn định được sử dụng để biểu diễn 2 giá trị nhị phân 0 và 1. Khi phần tử nhớ đã được thiết lập giá trị thì nó nhớ mãi giá trị đó cho đến khi chúng ta thiết lập cho nó 1 giá trị mới. Vì thế người ta gọi nó là phần tử nhớ RAM tĩnh (Static Random Access Memory). Bộ nhớ được xây dựng từ các phần tử 1 bit như vậy được gọi là bộ nhớ RAM tĩnh.
Hình 4.3 là sơ đồ mạch điện của 1 phần tử nhớ SRAM 1 bit
và các mạch điện cũng nhu các tín hiệu để điều khiển sự hoạt động của nó.
Các đường dây truyền tín hiệu trên sơ đồ ý nghĩa như sau:
- Din: Đầu vào thông tin.
- Dout: Đầu ra thông tin.
- Yi,Xj : là các dây địa chỉ. Nếu ta tổ chức 1 mạng nhớ hình chữ nhật, trong đó phần tử
nằm ở hàng i cột j thì Yi sẽ được nối với hàng i của ma trận, còn Xj sẽ được nối với cột j của ma trận.
- WE (Write Enable) : Tín hiệu cho phép ghi, khi WE=1, cho phép ghi thông tin Din vào phần tử nhớ, lúc này đầu ra Dout có trở kháng cao vì nó được nối với đầu ra của bộ đệm ba trạng thái đang ở trạng thái có trở kháng cao), có thể coi Dout bị cách li khỏi phần tử nhớ. Khi WE=0, cho phép đọc thông tin từ phần tử nhớ, bộ đệm
ba trạng thái đóng (trở kháng thấp), Dout được nối với điểm H và có giá trị bằng Q là nội dung phần tử nhớ, đồng thời E=B=0 làm cho F=G=1 dẫn đến Q không đổi trạng thái, tức là Q không bị phụ thuộc vào Din.
- CS (chip Select) : Tín hiệu chọn chip, đôi khi còn được kí hiệu là CE (chip enable). Khi có nhiều chip nhớ RAM cùng nối với đường tín hiệu chung (Din, Dout) thì đầu vào CS có nhiệm vụ chọn xem chip RAM nào được truyền thông tin trên bus số liệu.
Điều kiện ghi : CS=1, Xi=1, Yj=1, WE=1, khi đó Q sẽ được thiết lập bằng Din. Điều kiện đọc : CS=1, Xi=1, Yj=1, WE=0, khi đó Dout sẽ nhận giá trị bằng Q.
Khi có các phần tử nhớ 1 bit có cấu tạo như trên, rất dễ kết hợp chúng lại với nhau để tạo nên các bộ nhớ có dung lượng từ (word) và kích thước từ như mong muốn.

Hình 4. 3. Mạch điện của phần tử SRAM 1 bit
Cấu tạo phần tử nhớ 1 bit của DRAM
Như chúng ta đã biết các phần tử nhớ RAM tĩnh (SRAM) được cấu tạo từ các flip-flop, 1 phần tử SRAM 1 bit như hình 4.3 được cấu tạo bởi 6 cổng NAND và 1 bộ đệm 3 trạng thái. Ngày nay người ta sử dụng các phần tử DRAM đơn giản hơn.

Hình 4. 4. Mạch điện của phần tử nhớ DRAM 1 bit
Để bố trí được số phần tử nhớ lớn nhất trong 1 vi mạch, mỗi phần tử nhớ phải được chế tạo sao cho đơn giản nhất. Phần tử nhớ RAM động (DRAM) mà chúng ta tìm
hiểu dưới đây chỉ cần 1 transistor cho 1 bit thông tin, chính vì vậy có thể bố trí với mật độ rất cao và có giá thành rẻ. Trong phần tử nhớ này người ta thay flip-flop bằng một tụ điện C, giá trị nhớ trong phần tử nhớ này chính là điện tích nạp trên tụ điện. Ta có thể sử dụng trạng thái tụ được nạp, tức là trên tụ điện C có một điện áp lớn hơn giá trị nhất định nào đó, biểu diễn giá trị 1 của bit, còn trạng thái không được nạp biểu diễn giá trị 0.
Nguyên lý cấu tạo của một phần tử DRAM được minh họa trên hình 4.4. Bộ nhớ DRAM được tổ chức thành một ma trận nhớ (thường là ma trận vuông), trong đó dây từ (Word Line) là một trong các dây hàng của ma trận, còn dây bit (Bit Line) là một trong các dây cột. Phần tử nhớ được đặt ở giao điểm của các dây hàng và cột. Transistor T là một transistor trường (Field Efect Transistor) đóng vai trò một chuyển mạch điện tử. T có 3 cực là cực cổng G (gate), cực máng D (Drain) và cực nguồn S (Source), trong đó G là cực điều khiển, D sẽ được nối với S khi G có mức điện áp cao
(1) so với S, ngược lại thì điện trở giữa D và S sẽ rất lớn.
- Ghi dữ liệu (Write)
Khi dây từ có mức tích cực (1), T ở trạng thái mở, nối tụ điện C với dây bit. Nếu thao tác là ghi thì giá trị cần ghi phải đặt trên dây bit. Nếu giá trị đó là 1 thì tụ C sẽ được nạp tới điện áp ứng với giá trị 1 trên dây bit, còn nếu giá trị đó là 0 thì tụ C sẽ bị phóng hết điện tích, tức là có giá trị 0.
- Đọc dữ liệu (Read)
Việc đọc phức tạp hơn ghi một chút do điện tích trên tụ C ứng với giá trị cần đọc rất nhỏ. Trước khi đặt dây từ lên mức tích cực, cần phải đặt lên dây bit điện áp bằng 1/2 mức chênh lệch giữa điện áp ứng với mức 0 và điện áp ứng với mức 1. Điện áp trên tụ sẽ làm cho điện áp dây bit thay đổi một chút theo chiều hướng tăng hoặc giảm, tùy thuộc vào việc nó đang nhớ giá trị 1 (high) hay 0 (low). Sự thay đổi nhỏ của điện áp trên dây bit sẽ được truyền tới đầu vào của một bộ khuếch đại nhạy, tại đầu ra của nó ta nhận được điện áp ứng với giá trị của bit chứa trên tụ C.
- Làm tươi (Refresh)
Vì mọi tụ điện đều có quá trình rò rỉ điện tích và transistor T mắc nối tiếp với nó dù ở trạng thái cấm cũng có một điện trở rò nhất định, cho nên sau khi được nạp, điện tích trên tụ C, sau một khoảng thời gian nhất định sẽ làm mất thông tin mà C chứa. Chính vì vậy cần phải nạp điện lại cho tụ C trước khi điện áp trên tụ giảm thấp hơn một ngưỡng nào đó. Việc này được gọi là làm tươi. Để làm tươi bộ nhớ DRAM, cần phải đọc nội dung của nó rồi viết trở lại. Việc làm tươi cần phải được tiến hành đều đặn theo một chu kỳ nhất định, gọi là chu kỳ làm tươi. Tên gọi RAM động (Dynamic RAM) xuất phát từ hoạt động này.






