Các kiểu lái trực lực điện .
Hệ thống lái trợ lực điện của hãng Ford


Hình 2.4 Trợ lực kiểu dây đai Hệ thống lái trợ lực điện của hãng Suzuki
Hình 2.5 Trợ lực có mô tơ trên trục lái Hệ thống lái trợ lực điện của xe AUDI

Có thể bạn quan tâm!
-
Nguyên Lý Hoạt Động,các Bộ Phận Hệ Thống Lái. -
Tỷ Số Truyền Và Hiệu Suất Của Thống Lái. -
Vị Trí Lắp Đặt Và Chức Năng Của Các Bộ Phận. -
Các Hư Hỏng Thường Gặp Và Cách Khắc Phục. -
Thiết kế chế tạo mô hình hệ thống lái trợ lực điện - 8 -
Thiết kế chế tạo mô hình hệ thống lái trợ lực điện - 9
Xem toàn bộ 92 trang tài liệu này.
Hình 2.6 Trợ lực có mô tơ trên thước lái
Chương III: HỆ THỐNG LÁI TRỢ LỰC ĐIỆN CỦA SUZUKI
3.1. CÁCH BỐ TRÍ VÀ SƠ ĐỒ HỆ THỐNG.
3.1.1. Cách bố trí.
Có hai cách bố trí hệ thống lái:
Hệ thống lái bố trí bên trái (theo chiều chuyển động của ôtô) được dùng trên ôtô của các nước có luật đi đường bên phải như ở Việt nam và một số các nước khác.
Hệ thống lái bố trí bên phải (theo chiều chuyển động của ôtô) được dùng trên ôtô của các nước có luật đi đường bên trái như ở Anh, Nhật, Thuỵ Điển,...

Hình 3.1. Hệ thống lái bố trí bên trái.

Hình 3.2 Hệ thống bố trí bên phải.
1. Vô lăng. 2. Giá đỡ trụ lái.
3. Trục lái nhỏ. 4. ECU EPS.
5. Động cơ trợ lực D/C. 6. Cảm biến momen.
7. Bình ắc quy.
Vì trợ lực lái bên phải và bên trái có cấu tạo giống nhau, nên trong giới hạn bài này chúng em xin trình bày loại trợ lực bên trái và động cơ điện một chiều bố trí trên trục lái.
Cách bố trí động cơ trợ lực D/C.

Hình 3.3. Động cơ trợ lực D/C bố trí trên trục lái.
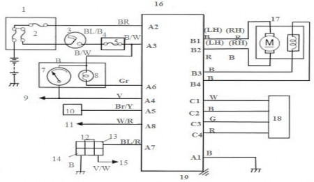
Sơ đồ khối mạch.

Hình 3.4. Sơ đồ lắp mạch của hệ thống
1. Cầu chì tổng của EPS 2. Cầu chì EPS.
3. Công tắc máy. 4. Hộp cầu chì.
5. Cầu chì công tắc 6. Đồng hồ tích hợp
7. Đồng hồ tốc độ 8. Đèn báo EPS
9. Đến cảm biến tốc độ xe (vss 10. ECM/PCM
11. Dây nối đến giắc DLC 12. Bộ kiểm tra
13. Giắc chuyển đổi chẩn đoán 14. Điểm nối mass
15. Tới ABS 16. ECU EPS
17. Động cơ trợ lực D/C 18.Cảm biến momen
19. Điểm nối mass EPS ECU
Sơ đồ mạch trên xe

Hình 3.5 Sơ đồ mạch hệ thống lái trợ lực điện của Suzuki.
3.1.2 Nguyên lý hoạt động.
Khi mà tài xế muốn thay đổi hướng chuyển động của xe sang phải hoặc sang trái bằng cách tác dụng lực lên vô lăng. Khi đó cảm biến momen trên trục lái sẽ xác định được hướng mà tài muốn xe chuyển động, sau đó cảm biến momen sẽ đưa tín hiệu mà nó nhận được về ECU EPS bằng tín hiệu điện áp. Cùng lúc đó tín hiệu từ các cảm biến khác như: tốc độ xe, tốc độ động cơ…Đưa về ECU EPS, khi đó ECU EPS sẽ tổng hợp các tín hiệu mà nó nhận được để tính toán và đưa ra mức độ trợ lực lái phù hợp với điều kiện chuyển động của xe.
3.2. CẤU TẠO VÀ HOẠT ĐỘNG CỦA CÁC BỘ PHẬN.
Hệ thống lái trợ lực điện của Suzuki có cấu tạo cũng tương tự như hệ thống lái trợ lực điện của các hãng khác, đây là những bộ phận cơ bản:
Động cơ trợ lực D/C.
Cảm biến mô men xoắn.
ECU EPS.
Đèn báo EPS.
3.2.1. Động cơ điện một chiều.
Cấu tạo:

Hình 3.6 Cấu tạo động cơ D/C.
Để đảm bảo được công suất trợ lực cần thiết trên bộ trợ lực điện sử dụng loại động cơ điện một chiều, nó bao gồm: Rôto, stato, trục lái chính và cơ cấu giảm tốc.
Cơ cấu giảm tốc bao gồm trục vít và bánh vít. Mô men do rôto động cơ điện tạo ra được truyền tới cơ cấu giảm tốc sau đó được truyền tới trục lái chính. Trục vít được đỡ trên các ổ đỡ để giảm độ ồn và tăng tuổi thọ làm việc, khớp nối đảm bảo cho việc nếu động cơ điện D/C bị hỏng thì trục lái chính và cơ cấu giảm tốc không bị khóa cứng lại và hệ thống lái vẫn có thể hoạt động được.
Bên trong động cơ D/C còn bố trí một ly hợp từ để thực hiện quá trình ngắt hoặc kết nối giữa trục chính của động cơ D/C và trục vít.
Hoạt động.
Khi nhận được tín hiệu điều khiển từ ECU EPS thì mô tơ D/C sẽ quay để thực hiện quá trình trợ lực như: quay nhanh, quay chậm, quay trái, quay phải và ngừng.
Trục thứ cấp được dẫn động bởi mô tơ D/C thông qua cơ cấu trục vít bánh vít nên khi mô tơ D/C quay làm cho trục thứ cấp quay theo. Trục thứ cấp sẽ truyền mô men của mô tơ D/C đến cơ cấu lái. Ở đây mô men sẽ được cơ cấu lái làm tăng lên và truyền đến bánh xe dẫn hướng thông qua dẫn động lái.
3.2.2 Cảm biến mô mem xoắn.
Cấu tạo.

Hình 3.7 Cấu tạo các vành răng rotor

Hình 3.8 Mặt cắt ngang cảm biến mô men xoắn.
Hoạt động.
Khi người lái xe điều khiển vô lăng, mô men tác động lên trục sơ cấp làm xoay rô to phát hiện số 1 và số 2 của cảm biến mô men thông qua thanh xoắn.
Người ta bố trí roto phát số 1 và 2 trên trục sơ cấp phía vô lăng và roto phát số 3 trên trục thứ cấp.Trục sơ cấp và trục thứ cấp được nối với nhau bằng một thanh xoắn.
Các vòng phát hiện có cuộn dây phát hiện kiểu không tiếp xúc trên vòng ngoài để hình thành một mạch kích thích.
Khi tạo ra một mô men lái thì thanh xoắn bị xoắn tạo ra độ lệch pha giữa roto phát hiện số 2 và số 3. Dựa trên độ lệch pha này một tín hiệu điện áp tỉ lệ với mô men được đưa đến ECU.
Khi vô lăng được đánh sang bên phải hoặc trái, phản lực của mặt đường sẽ vặn thanh xoắn và tạo nên sự thay đổi vị trí tương quan giữa rôto phát hiện số 2 và rôto phát hiện số 3, Khi đó một tín hiệu điện áp được cảm biến này tạo ra và gởi đến ECU để thông báo cho ECU biết cần phải xuất tín hiệu trợ lực cho phù hợp .
Khi vô lăng ở vị trí chính giữa ,thì VT1 và VT2 cùng ở vị trí trung gian, tức là chưa có độ lệch pha hay là chưa có tín hiệu xoắn ,điện áp lúc đó giữa 2 tín hiệu là 2.5V.

Hình 3.9 Khi tay lái ở vị trí trung gian

Hình 3.10 So sánh điện áp giữa 2 tín hiệu
Khi cảm biến mômen xoắn có sự cố thì giá trị ra giữa VT1 sẽ khác VT2 khi ở vị trí trung gian.






