Các bit từ 0 đến 4 luôn được đọc giá trị là 1, bít số 7 luôn được đọc giá trị là 0.
Cấu hình độ phân giải cho ds18b20 được quyết định bởi R1 và R0 ta có bảng thiết
lập như sau.
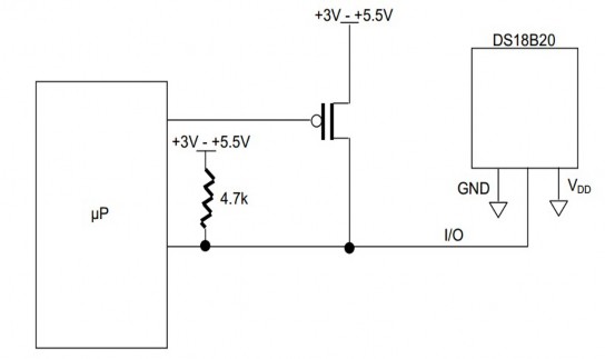
c. Sơ đồ kết nối cảm biến nhiệt ds18b20
Có thể bạn quan tâm!
-
Nghiên cứu kit điều khiển đo lường và điều khiển hệ thống tự động tưới đa năng cho nhà trồng hoa - 4 -
Cảm Biến Đo Nhiệt Độ Lm35, Lm335, Ds18B20. -
Nghiên cứu kit điều khiển đo lường và điều khiển hệ thống tự động tưới đa năng cho nhà trồng hoa - 6 -
Nghiên cứu kit điều khiển đo lường và điều khiển hệ thống tự động tưới đa năng cho nhà trồng hoa - 8
Xem toàn bộ 65 trang tài liệu này.
- Sơ đồ khi sử dụng một cảm biến.

- Sơ đồ khi mắc nhiều cảm biến. (Chúng ta cũng chỉ cần 1 dây để lấy mẫu
nhiệt độ)
d. Đọc nhiệt độ
Khi bắt đầu chuyển đổi nhiệt độ thì chân DQ sẽ được kéo xuống mức thấp và
khi chuyển đổi xong thì ở mức cao.Như vậy ta sẽ căn cứ vào hiện tượng này để xác định khi nào chuyển đổi xong nhiệt độ. Lưu ý luôn phải dùng một điện trở tầm
4.7k trở lên vào chân DQ treo lên nguồn như sơ đồ mắc.
Dưới đây là một ví dụ mẫu đo nhiệt độ bằng ds18b20 hiển thị LCD các bạn
tham khảo sẽ hiểu rò hơn về sử dụng cảm biến này như thế nào. Đồng thời tham
khảo thêm datasheet của ds18b20.
2.6. Cảm biến đo độ ẩm không khí và cảm biến đo độ ẩm đất.
2.6.1.Cảm biến LM35
2.7. Thiết bị mạch điều khiển, mạch động lực.
Thiết bị bao gồm:
Kit ATMEGA16
Công tắc tơ
Domino
Máy bơm nước
Đường ống dẫn nước
Bộ nguồn biến áp cấp điện cho mạch điều khiển
2.8. Giới thiệu phần mềm codevision
CodeVisionAVR - là một môi trường phát triển tích hợp phần mềm cho vi điều
khiển Atmel AVR. Nó cung cấp sự hỗ trợ rộng rãi cho các thiết bị AVR và tạo ra
một đoạn mã nhỏ gọn và hiệu quả.
CodeVisionAVR bao gồm các thành phần sau:
- Trình biên dịch ngôn ngữ C cho AVR;
- Trình biên dịch hợp ngữ cho AVR;
- Các máy phát điện của mã chương trình ban đầu cho phép khởi tạo thiết bị ngoại
vi;
- Module giao tiếp với debug board STK-500;
- Module tương tác với các lập trình viên;
- Terminal.
CodeVisionAVR cho tập tin đầu ra là:
- HEX, BIN hoặc tập tin ROM để nạp vào thiết bị thông qua lập trình;
- COFF - file có chứa thông tin cho trình gỡ lỗi;
- OBJ - file.
Hiện nay, CodeVisionAVR bao gồm các thư viện và các ví dụ sau đây:
- Alphanumeric LCD modules for up to 4x40 characters;
- Philips I²C Bus;
- National Semiconductor LM75 Temperature Sensor;
- Maxim/Dallas Semiconductor DS1621 Thermometer/Thermostat;
- Philips PCF8563 and PCF8583 Real Time Clocks;
- Maxim/Dallas Semiconductor DS1302 and DS1307 Real Time Clocks;
- Maxim/Dallas Semiconductor 1 Wire protocol;
- Maxim/Dallas Semiconductor DS1820/DS18B20/DS1822 1 Wire Temperature - Sensors;
- Maxim/Dallas Semiconductor DS2430/DS2433 1 Wire EEPROMs;
- SPI;
- MMC/SD/SD HC FLASH Memory Card drivers and FAT12, FAT16, FAT32 access libraries;
- Power management;
- Delays;
- BCD and Gray code conversion.
Nó hỗ trợ hầu hết các vi điều khiển Atmel AVR. Phiên bản mới thêm hỗ trợ cho vi
điều khiển với một kernel ATxmega.
2.9. Tổng kết chương 2.
Chương 2 là toàn bộ cơ sở lý thuyết để thiết kế một Kit điều khiển cho tưới
tự động theo nhiệt độ, độ ẩm và thời gian.
+ Chương 2 đã tổng kết lại toàn bộ các cơ sở thực tế cần cho quá trình chăm
sóc cây trồng. Từ đó, dựa trên cơ sở đó để thiết kế KIT điều khiển phù hợp với qua
trình sinh trưởng và phát triển của cây trồng.
Chương 2 cũng đã giới thiệu về các linh kiện và phần mềm để thiết kế,chế tạo ra KIT điều khiển cho hệ thống tưới tự động. Giới thiệu về toàn bộ các thiết bị cần thiết cho việc thiết kế và lắp ráp một KIT hoàn chỉnh.
CHƯƠNG III. THIẾT KẾ HỆ THỐNG ĐIỀU KHIỂN
3.1. Thiết kế kít Vi điều khiển AVR.
3.1.1. Chíp điều khiển AVR Atmega16.
Hình 4.Atmega 16
3.1.2. Mạch cảm biến nhiệt độ.
Mạch cảm biến nhiệt độ sử dụng cảm biến DS18B20 với công nghệ truyền
một dây.
DS18B20
Hình 5.Bộ cảm biến đo nhiệt độ DS18B20




