
Hình 3.10

Hình 3.11

Hình 3.12
3.3.4. Axit gallic (ĐE-1)
Các chất thu được từ dịch chiết etylaxetat (ĐE) được phân chia trên sắc kí cột với chất hấp phụ silicagel, rửa giải bằng hỗn hợp dung môi clorofom- metanol với tỉ lệ metanol tăng dần từ 0% - 100% thu được nhiều phân đoạn khác nhau trong đó có phân đoạn CHCl3:MeOH (9:1) chứa một chất sạch được kí hiệu là chất ĐE-1.
Chất ĐE-1 là chất rắn, tinh thể hình kim có nhiệt độ nóng chảy ở 2480 C-2500 C.
Phổ IR cho vân hấp thụ mạnh ở νmax= 1700cm-1 đặc trưng cho nhóm cacboxyl có νmax = 1700cm-1, với vân rất tù có số sóng νmax = 3100cm-1 đặc trưng cho nhóm OH của phenol.
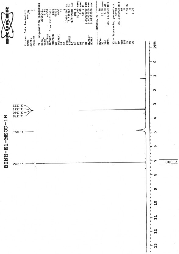
Phổ 1H-NMR cho tín hiệu 7,092ppm ứng với hai proton ở hai vị trí C2
và C6.
Phổ 13C-NMR cho thấy các tín hiệu: δC-1 = 121,960ppm; δC-4 =139,559
ppm; δC-2 = δC-6 =110,349ppm; δC-3 = δC-5 =146,345ppm; δC-7 =170,364ppm.
Những số liệu về phổ NMR của chất ĐE-1 hoàn toàn phù hợp với phần mềm ACD/NMR của axit gallic (xem bảng 3.4).
Bảng 3.4. Số liệu phổ NMR của ĐE-1 và số liệu phổ NMR trong
phần mềm ACD/NMR của axit gallic
Phổ của chất ĐE-1 | Phần mềm ACD của axit gallic | |||
13C-NMR (δ-ppm) | 1H-NMR (δ-ppm) | ACD/13C- NMR (δ-ppm) | ACD/ 1H-NMR (δ-ppm) | |
1 | 121,96 | - | 123,88 | - |
2 | 110,35 | 7,092 | 111,35 | 7,11 |
3 | 146,35 | - | 147,44 | - |
4 | 139,56 | - | 138,18 | - |
5 | 146,35 | - | 147,44 | - |
6 | 110,35 | 7,092 | 111,35 | 7,11 |
7 | 170,36 | - | 167,37 | - |
Có thể bạn quan tâm!
-
Kết Quả Thử Hoạt Tính Sinh Học Của Dịch Chiết Thô -
Phổ 13 C-Nmr Và 1 H-Nmr Của Taraxeron (Đc-1) Từ Lá Đỏ Ngọn -
Phổ 13 C-Nmr Của Các Chất Đc-2 Và Stingmasterol [16] -
Phổ 13 C-Nmr Của Chất Axit Gallic -
Nghiên cứu hoá học và nhận dạng một số nhóm chất có trong cây đỏ ngọn (cratoxylum prunifolium kurtz) - 9 -
Nghiên cứu hoá học và nhận dạng một số nhóm chất có trong cây đỏ ngọn (cratoxylum prunifolium kurtz) - 10
Xem toàn bộ 118 trang tài liệu này.
Trên cơ sở phân tích các số liệu về phổ FT-IR, NMR và phần mềm ACD/NMR. Cấu trúc của axit gallic là:
1
6
2
5
3
4
7COOH
HO OH
OH
Axit gallic
Từ dịch chiết etylaxetat, ngoài axit gallic còn thu được một số phân đoạn không sạch khác có chứa các chất cho phản ứng màu với xianidin; cho phản ứng tạo màu xanh đen với FeCl3. Các mẫu này có chứa hỗn hợp các flavonoit, các polyphenol có hệ số Rfrất gần nhau và việc tách chúng bằng cột silicagen chưa đạt được sự phân chia tốt.
Khi rửa giải bằng CH3OH 100% thu được phân đoạn cho các phản ứng màu giống dịch chiết tổng số bằng n-butanol. Khi thực hiện phản ứng thuỷ phân các mẫu này trong axit HCl 2N thu được glucozơ và axit gallic. Từ kết quả thuỷ phân này có thể cho rằng các phân đoạn chiết bằng etylaxetat và bằng n-butanol đều chứa các tannin và đó là galotanin. Tuy nhiên các tannin ấy được tạo ra bởi liên kết C-glycoside hay O-glycoside cấu trúc và thứ tự liên kết của chúng như thế nào, còn chưa được làm rõ vì chưa tách chúng thành các đoạn sạch.

Hình 3.13

Hình 3.14

Hình 3.15. Phổ 1H-NMR của chất axit gallic



![Phổ 13 C-Nmr Của Các Chất Đc-2 Và Stingmasterol [16]](https://tailieuthamkhao.com/uploads/2022/05/15/nghien-cuu-hoa-hoc-va-nhan-dang-mot-so-nhom-chat-co-trong-cay-do-ngon-6-1-120x90.jpg)


