Khi bơm vòi phun HEUI không được cấp điện, kết thúc phun chính
Do sức đẩy của lò xo, van điện từ trở về vị trí ban đầu nên dầu bôi trơn cao áp bị chặn bởi mặt dưới của van, mặt trên của van mở cho phép dầu bôi trơn cao áp từ không gian phía trên của piston cường hóa thông với đường dầu về. Piston cường hóa trở về vị trí ban đầu. Nhiên liệu diesel lại được hút vào không gian phía dưới piston cường hóa.
(3)
(1)
(4)
(2)
(5)
Hình 2-89. Trạng thái của các van khi kết thúc phun
Có thể bạn quan tâm!
-
Sơ Đồ Cấu Tạo Chung Và Hoạt Động Của Bộ Phun Nhiên Liệu Ui -
Các Bộ Phận Cơ Bản Của Bơm Cao Áp Và Vòi Phun Up -
Áp Suất Phun Nhiên Liệu Cao Sẽ Tán Nhiên Liệu Thành Hạt Nhỏ, Cho Phép Cháy Hoàn Toàn Và Giảm Phát Xạ Ô Nhiễm -
Vị Trí Các Cảm Biến Trong Hệ Thống Nhiên Liệu Efi- Diesel Thông Thường -
Khi Động Cơ Chưa Làm Việc (Efi-Diesel Thông Thường) -
So Sánh Thời Điểm Phun Mong Muốn Và Thực Tế Với Efi-Diesel Ống Phân Phối
Xem toàn bộ 137 trang tài liệu này.
1.Van trên mở; 2. Van dưới đóng; 3. Rãnh dầu ; 4. Lò xo van;
5. Piston cường hóa.
2. Bơm thủy lực
a) Cấu tạo
Bơm thủy lực có nhiệm vụ có nhiệm vụ tạo áp suất cao cho dầu bôi trơn để tác động phun cho bơm vòi phun HEUI. Nó gồm phần bơm dầu bôi trơn và phần bơm chuyển nhiên liệu diesel
Các bộ phận của bơm thủy lực trong HEUI được trình bày trên hình 2-90.
b) Nguyên lý hoạt động
Bơm thủy lực là loại bơm piston thay đổi được lượng dầu bôi trơn cấp ra ngoài. Bơm sử dụng đĩa nghiêng để vận hành piston chuyển động tịnh tiến trong một ống trượt.
Bánh răng 9 nối với trục bơm được dẫn động từ trục khuỷu. Khi bánh răng quay sẽ dẫn động trục bơm làm đĩa nghiêng quay tạo sự chuyển động tịnh tiến của piston trong ống trượt.
Khi piston di chuyển ra ngoài ống trượt, dầu được hút vào trong piston thông
qua một rãnh trên đĩa dẫn động
Quan hệ vị trí giữa piston và ống trượt sẽ xác định lượng dầu bôi trơn trong piston. Vị trí của ống trượt thay đổi liên tục và do ECM điều khiển. Sự thay đổi vị trí của ống trượt sẽ làm thay đổi hành trình có ích của bơm dẫn tới sự thay đổi lượng dầu bôi trơn được bơm đi.
1
13
2
3
12
11
4
5
6
10
7
9
8
Hình 2-90. Sơ đồ cấu tạo bơm thủy lực
1.Van điện từ; 2. Van nhỏ; 3. Lò xo; 4. Piston bộ tác động; 5. Bộ nối; 6. Cửa ra của bơm; 7. Van kiểm tra; 8. Piston; 9. Bánh răng chủ động; 10. Cửa tràn; 11. Đĩa lệch tâm chủ động; 12. Ống trượt ngoài; 13. Phần ứng
Khi ống trượt di chuyển về phía trái của lỗ khoan trên piston, hành trình có ích của piston tăng dẫn tới tăng lưu lượng dầu bơm đi và ngược lại.
Ống trượt nối với piston tác động 4 thông qua bộ nối 5. Sự di chuyển về phía phải hay trái của piston tác động sẽ dẫn tới sự di chuyển tương ứng của ống trượt
Một lượng nhỏ dầu bôi trơn ở đầu ra của bơm được dẫn qua rãnh nhỏ trong piston tác động và đi vào một khoang gọi là khoang áp suất điều khiển. Áp suất trong khoang điều khiển qui định vị trí của piston tác động cũng như vị trí của ống trượt. Áp suất này bị giới hạn bởi van nhỏ. Dầu cao áp trong khoang điều khiển có thể lọt qua van này và làm thay đổi áp suất trong khoang áp suất.
Cường độ dòng điện do ECM gửi tới bộ điện từ qui định lực lò xo tác động để đóng van nhỏ, do đó có thể điều khiển lượng dầu bôi trơn lọt qua van và điều khiển được áp suất trong khoang áp suất. Cuối cùng thông qua piston tác động và bộ nối để điều khiển ống trượt cũng như điều khiển hành trình có ích và điều khiển lượng dầu
bôi trơn bơm đi, dẫn tới điều khiển được áp suất tác động phun.

3. Bơm chuyển nhiên liệu
Bơm chuyển nhiên liệu được lắp đằng sau bơm thủy lực. Bơm chuyển nhiên liệu chỉ là một phần nằm trong bơm thủy lực. Bơm chuyển nhiên liệu có nhiệm vụ hút nhiên liệu từ thùng nhiên liệu và tăng áp suất của nhiên liệu lên áp suất quy định (450 kPa-65 psi). Bơm chuyển nhiên liệu có một van giảm áp bên trong để bảo vệ hệ
thống. Nhiên liệu tăng áp được cung cấp tới các vòi phun.
4. Hệ thống dầu bôi trơn cao áp
a) Sơ đồ hệ thống
Hình 2- 91. Bơm chuyển nhiên liệu

Hình 2-92. Sơ đồ hệ thống dầu bôi trơn áp suất cao
1.Bơm dầu; 2. Két làm mát dầu; 3. Lọc dầu; 4. Bình chứa của bơm thủy lực cao áp; 5. Bơm thủy lực cao áp; 6. Cảm biến áp suất dầu cao áp (ICP); 7. Tiết chế áp suất điều khiển sự phun (ICPR); 8. Rãnh tới hộp trục khuỷu; 9. Van kiểm soát; 10. Ống dẫn dầu cao áp; 11. Bộ bơm vòi phun HEUI.
b) Bộ tiết chế điều khiển áp suất phun (ICPR)
Bộ tiết chế điều khiển áp suất phun nhận tín hiệu từ ECM để điều khiển áp suất dầu cao áp từ bơm đến. Bề rộng của xung điều khiển càng dài thì áp suất dầu cao áp trong hệ thống càng cao. Khi không có tín hiệu, tất cả dầu qua van về bình chứa.
(3)
(1)
(2)
Hình 2-93. Bộ tiết chế điều khiển áp suất phun
1.Dầu cao áp vào; 2. Tới bình chứa dầu; 3. Tính hiệu điện từ ECM
Hoạt động của bộ tiết chế điều khiển áp suất phun biểu hiện ở hình 2-94. Áp suất phun thay đổi theo lượng dầu hồi về bình chứa do ECM điều khiển.
(1)
(2)
(3)
(4)
Hình 2-94. Sơ đồ hoạt động của bộ tiết chế điều khiển áp suất phun
1.Đến bộ bơm vòi phun; 2. Dầu từ bơm thủy lực cao áp; 3. Tính hiệu điện từ ECM; 4. Rãnh về thùng chứa dầu của bơm thủy lực cao áp
5. Hệ thống HEUI của Caterpillar
a) Sơ đồ hệ thống
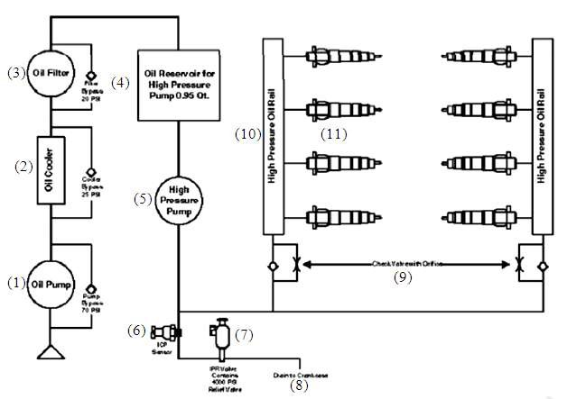
(6)
(5)
(7)
(3)
(4)
(8)
(9)
(2)
(1)
(3) (4)
(10) (11)
(2)
(5)
Hình 2- 95. Sơ đồ HEUI Caterpillar 3126B Engines
1.Thùng chứa; 2. Bầu lọc; 3. Bơm dầu cao áp; 4. Bầu lọc nhiên liệu; 5. Van điều khiển áp suất tác động phun; 6. ECM; 7. Ống chứa dầu cao áp; 8. Bộ bơm vòi phun. 9. Thùng nhiên liệu
b) Các thành phần của hệ thống
Hình 2-95. Bơm dầu cao áp
Hình 2-96. Bơm dầu cao áp
- Môđun điều khiển điện tử ECM: là hệ thống vi sử lý các tín hiệu từ các cảm biến của xe và động cơ, điều khiển toàn bộ hoạt động của hệ thống nhiên liệu. Nó chứa các thông tin và xác định các thông số hoạt động tối ưu của hệ thống nhiên liệu. ECM cũng có nhiều hơn các tín hiệu đầu vào so với bộ điều tốc cơ khí như tốc độ động cơ, thời điểm phun, áp suất đường nhiên liệu, áp suất bộ tăng áp...Nó có thể xác định tối ưu thời điểm và tốc độ phun ở một trạng thái nào đó. Nó có thể gửi tín hiệu chính xác để điều khiển bộ điện từ của bộ bơm vòi phun nhằm giảm độ ồn, giảm ô nhiễm và đạt được tính kinh tế nhiên liệu. ECM cũng có chức năng lưu trữ tổng thể các số liệu về lương tiêu thụ nhiên liệu, số giờ động cơ hoạt
động.
- Bơm thủy lực cấp dầu bôi trơn áp suất cao: là bơm bảy piston. Nó tăng mức

áp suất dầu bôi trơn của hệ thống từ 40 psi lên áp suất dầu bôi trơn yêu cầu của bộ bơm vòi phun từ 870÷3300 psi. Ở
điều kiện vận hành bình thường của động cơ, áp suất ra của bơm được điều khiển bởi van điều khiển áp suất tác động bộ bơm vòi phun –the Injector Actuation Pressure Control
Valve (IAPCV). Áp suất cho các
trạng thái đặc biệt được xác định bởi ECM.
- Van điều khiển áp suất tác động bộ bơm vòi phun (IAPCV)
Hình 2-97. Van điều khiển áp suất

(8)
IAPCV là van điều khiển điện tử, khi được ECM điều khiển, nó cho phép dầu quá áp trở về thùng chứa để điều khiển áp suất tác động phun. Áp suất khi động cơ khởi động lạnh hơi cao hơn vì dầu đặc và di chuyển trong bộ bơm vòi phun chậm hơn. Áp suất và thời điểm phun sớm lớn hơn giúp bộ bơm vòi phun phun nhanh hơn cho đến khi độ nhớt của dầu giảm xuống.
- Bộ bơm vòi phun HEUI Bộ bơm vòi phun HEUI sử dụng năng lượng thủy lực của dầu được áp suất hóa để phun nhiên
liệu. Áp suất của dầu nạp vào bộ
(1)
(2)
(3)
(4)
(5)
(6)
(7)
Hình 2-98. Bộ bơm vòi phun
bơm vòi phun sẽ điều khiển tốc độ của piston cường hóa, dô đó
1.Van; 2. Đế van; 3. Piston cường hóa; 4. Đầu nhỏ piston;
5. Bi kiểm soát nhiên liệu vào; 6. Cụm kim phun; 7. Kim phun; 8. Bộ điện từ
điều khiển tốc độ phun. Lượng nhiên liệu phun được xác định bởi khoảng thời gian của xung kích hoạt từ ECM. Bọ bơm vòi phun này gồm 4 thành phần cơ bản: bộ điện từ, van nhỏ điều khiển cấp và thoát dầu, piston cường hóa và bộ kim phun.
+ Bộ điện từ là một nam châm điện tác dụng nhanh. Khi được kích hoạt, kéo van khỏi đế của nó.
+ Van nhỏ: Lực lò xo giữ van ở trang thái đóng. Dầu cao áp bị khóa và khoang cường hóa được mở thông với rãnh hồi dầu. Khi bộ điện từ được kích hoạt, van này nhanh chóng rời khỏi đế của nó, lối thông với rãnh hồi dầu đóng còn lối dẫn dầu cao áp vào mở.
+ Piston cường hóa: khi van nhỏ mở cửa dầu vào, dầu cao áp đi vào bộ bơm vòi phun và tác dụng lên đỉnh của piston cường hóa. Diện tích đỉnh piston cường hóa gấp 6 lần phía đuôi nên tăng lực tác dụng lên 6 lần, Sự dịch chuyển đi xuống của piston cường hóa làm tăng áp suất nhiên liệu và làm vòi phun mở. Như vậy, từ khoảng 3000 psi áp suất dầu đã tăng lên khoảng 21000 psi để tác động phun nhiên liệu.
+ Bộ kim phun: được thiết kế thông thường như các bộ kim phun khác Các giai đoạn hoạt động của bơm vòi phun:
Điền đầy
Phun
Kết thúc phun
Hình 2-99. Các giai đoạn hoạt động của bộ bơm vòi phun
2.8. Hệ thống điều khiển và các cảm biến trong EFI-diesel
2.8.1. Sơ đồ hệ thống điều khiển EFI-diesel
1. Điều khiển điện tử EFI-diesel thông thường
Trên hình 2-100 và hình 2-101 là sơ đồ hệ thống điều khiển điện tử EFI - Diesel. Máy tính (ECU) sẽ nhận các tín hiệu đầu vào từ các cảm biến và các công tắc sau đó các tín hiệu sẽ được xử lý và máy tính đưa ra tín hiệu đầu ra đến EDU tới bộ chấp hành. Đồng thời cũng đưa ra các tín hiệu chẩn đoán độ an toàn hoạt động của các cảm biến và các công tắc.
Cảm biến tốc độ động cơ Cảm biến nhiệt độ nước Cảm biến vị trí bàn đạp ga Cảm biến nhiệt độ khí nạp CB áp suất tăng áp tua bin Cảm biến nhiệt độ nhiên liệu
Cảm biến áp suất nhiên liệu v.v...
ECU
EDU
SPV
TCV
Các điều khiển khác
Hạn chế nạp vào
EGR
Điều khiển bugi sấy v.v...
Công tắc A/C Khóa điện
Công tắc bàn đạp ga Công tắc quạt gió v.v...
Hình 2-100. Điều khiển điện tử EFI-diesel thông thường
2. Điều khiển điện tử EFI-diesel ống phân phối
Cảm biến tốc độ động cơ Cảm biến nhiệt độ nước Cảm biến vị trí bàn đạp ga Cảm biến nhiệt độ khí nạp CB áp suất tăng áp tua bin Cảm biến nhiệt độ nhiên liệu
Cảm biến áp suất nhiên liệu v.v...
ECU
EDU
Vòi phun
SCV
Các điều khiển khác
Hạn chế nạp vào
EGR
Điều khiển bugi sấy v.v...
Công tắc A/C Khóa điện
Công tắc bàn đạp ga Công tắc quạt gió v.v...
Hình 2-101. Điều khiển điện tử EFI-diesel ống phân phối






