
Phổ 13C –NMR của β - Sitosterol


Phổ DEPT của β - Sitosterol

Có thể bạn quan tâm!
-
Nghiên cứu hoá học và nhận dạng một số nhóm chất có trong cây đỏ ngọn (cratoxylum prunifolium kurtz) - 10 -
Nghiên cứu hoá học và nhận dạng một số nhóm chất có trong cây đỏ ngọn (cratoxylum prunifolium kurtz) - 11 -
Nghiên cứu hoá học và nhận dạng một số nhóm chất có trong cây đỏ ngọn (cratoxylum prunifolium kurtz) - 12 -
Nghiên cứu hoá học và nhận dạng một số nhóm chất có trong cây đỏ ngọn (cratoxylum prunifolium kurtz) - 14
Xem toàn bộ 118 trang tài liệu này.
98
Phổ IR của axit gallic

Phổ UV của axit gallic

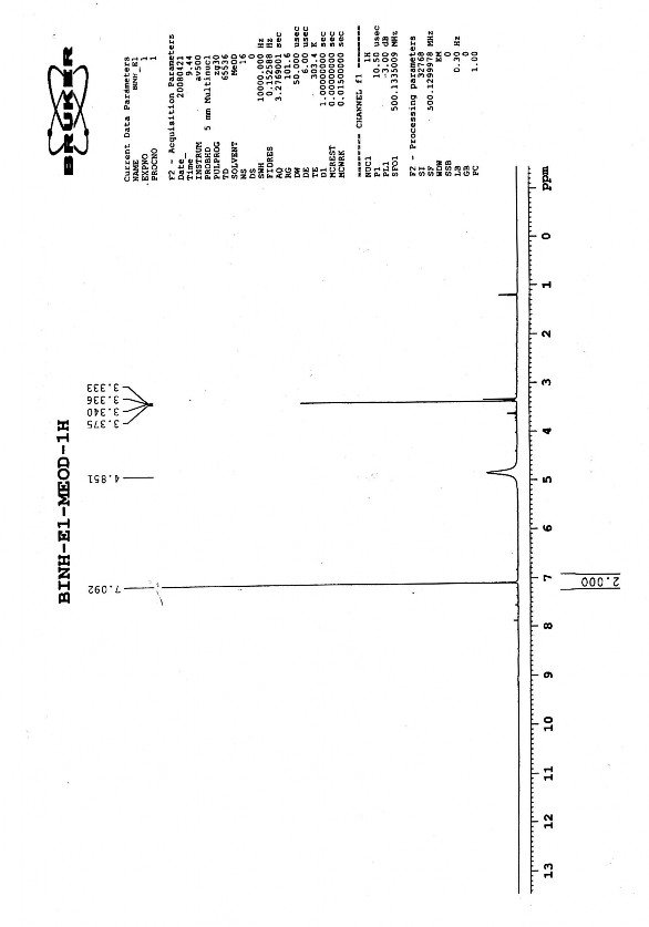
Phổ 1H – NMR của axit gallic

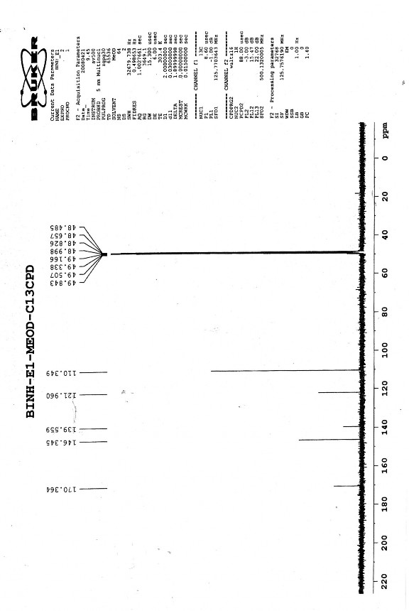
Phổ 13C – NMR của axit gallic





