
Trang 31
CÂU HỎI 1 . Nêu các kí hiệu và kích thước của các khổ giấy chính? 2 . Tỉ lệ bản vẽ là gì ? Có mấy loại tỉ lệ? Kí hiệu của tỉ lệ. 3 . Nêu tên gọi, hình dáng, ứng dụng của các loại nét vẽ thường dùng 4 . Nêu các thành phần của kích thước ? 5 . Khi ghi kích thước đường tròn, cung tròn, hình vuông thường dùng những kí hiệu nào trước con số ghi kích thước ?
Có thể bạn quan tâm!
-
Bản vẽ kỹ thuật Chương 1 Những tiêu chuẩn về cách trình bày bản vẽ - 1 -
Bản vẽ kỹ thuật Chương 1 Những tiêu chuẩn về cách trình bày bản vẽ - 2

Trang 32
1. Nhận xét các đường ghi kích thước sau, trường hợp nào đúng, sai? a) c) b) d)

Trang 33
2. Nhận xét con số ghi kích thước trong các trường hợp sau đúng,sai như thế nào? 85 85 20 85 17 20 17 20 a) b) 17 85 20 17 c) d)

Trang 34
BÀI TẬP 1 . Sửa lại những chổ sai về đường nét của các hình vẽ dưới đây: a) b) c) d) e)

Trang 35
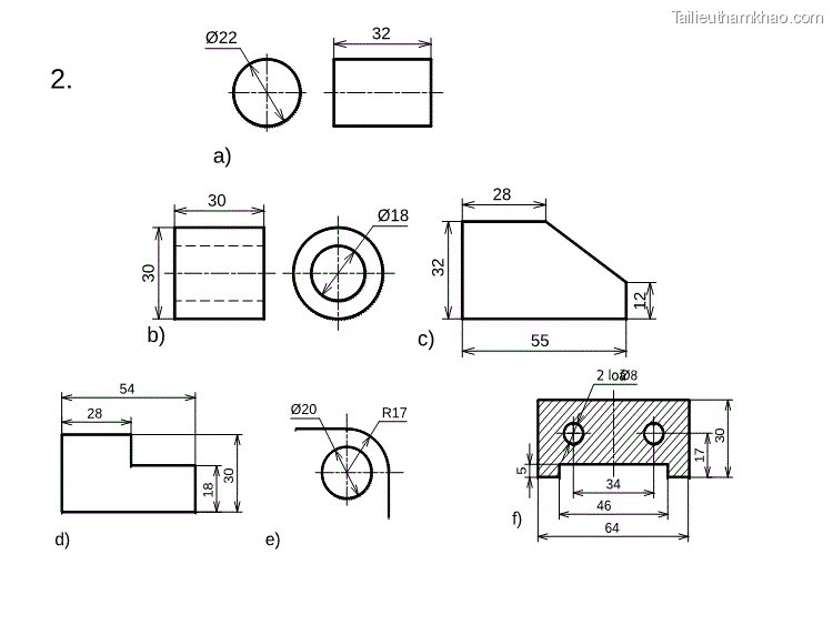
2. Phát hiện chổ sai sót hoặc chưa hợp lý trong cách ghi kích thước sau, sửa lại cho đúng: Ø22 30 32 Ø30 Ø=18 a) b) 32 20 27 c)

Trang 36
R17 Ø20 54 18 30 e) 30 d) Ø8 64 46 17 5 f)

Trang 37
Bài sửa 1. a) b) c) d) e)

Trang 38
32 Ø22 2. 28 55 a) 30 32 Ø18 30 12 b) c) 28 54 17 30 Ø20 R17 2 loãØ8 34 46 64 18 30 5 f) d) e)

Trang 39
3.Ghi kích thước 20 30 50 a) b) 2 loã 36 60 10 40 26 R12 Ø12 10 10 d) 11 14 33 14 Ø30 c) R5 5 14 19 48 19 29

Trang 40
110 80 e) 6 Ø40 4 2 0 0 Ø12 8 2loã 25 35 6 8 7 R40 15


